技术支持
联系我们
安徽伟仪科技有限公司
电话:400 997 0788
传真:0551-63808023
地址:安徽省合肥市高新区大别山路1800号
邮编:230001
邮箱:w@weyii.com.cn
网址:www.weyii.com.cn
您当前的位置:首页 > 技术支持 > 气密资料

测试气路及原理—流量式

字体大小:[] [] []   阅读次数:1591   发布日期:2019-03-31

测试气路及原理—流量式

关键词:检漏仪、流量气密仪、流量仪、试漏仪

 

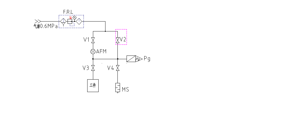
仪器通过向被测物(产品)内充入规定压力的压缩空气,并保持加压,通过测量流量传感器上流量的变化从而检测出被测物(产品)是否有泄漏以及泄漏流量的大小。首先检漏仪向被测物充入调压后的气体,并保持充气状态,通过采集高灵敏度流量传感器数据,测出因泄漏导致的气流量的变化,即被测物泄漏流量。系统工作流程如下:

 

   

 

 

 

 

 

 

 

 

F.L.R— —减压过滤装置;  

V1— —检测阀;

V2— —内部旁路加压阀

V3— —手动阀;  

V4— —放气阀; 

Pg — —压力变送器器;

AFM— —流量传感器       

MS— —消声器;

 

启动气密检漏仪进行检测后,设备首先进入充气状态,没有内部旁路加压阀的机型V1、V3阀将打开,V4关闭,设备将从气源端向被测产品充入规定压力的压缩空气;具有内部旁路加压阀的机型,设备进入充气状态V2V3阀打开,V1V4阀关闭,设备将通过旁路加压阀从气源端向被测产品充入规定压力的压缩空气待产品充气时间到,检漏仪进入平衡状态,此时V1V3阀打开,V2V4阀关闭,单位时间内流过流量传感器AFM上的气体流量将逐渐稳定。接下来气密检漏仪进入检测阶段,给出相应的泄漏流量值及检测合格与信号。